○大槌町排水設備等工事資金融資あっせん及び利子補給補助金交付事務取扱要領
平成11年6月1日
制定
大槌町公共下水道の処理区域内及び大槌町漁業集落排水処理施設の処理区域内で排水設備等工事をしようとする者に対する融資のあっせん及びその融資を行う金融機関への利子補給については、大槌町排水設備等工事資金融資あっせん及び利子補給補助金交付規則(平成10年規則第17号。以下「規則」という。)によるほか、この要領によるものとする。
(融資のあっせん及び利子補給の対象者等)
第1 国及び地方公共団体並びに法人及び団体は、融資あっせん及び利子補給の対象者としない。
一部改正〔平成20年告示22号〕
(融資のあっせん及び利子補給の対象となる建築物等)
第2 規則第4条第1号アに定める1戸建て一般住宅には、店舗と住宅が一体となった建築物を含むものとする。
2 規則第4条第1号イに定めるアパート等共同住宅には、貸店舗等を含むものとする。
3 法人又は団体(地方公共団体を除く。)が所有している建築物等が町民の集会所等として使用されており、かつ、町長が必要と認める場合は、第1第1項の定めにかかわらず、当該建築物等を融資あっせん及び利子補給の対象とすることができる。
(規則第3条第1項のやむを得ない事情)
第3 規則第3条第1項ただし書のやむを得ない事情とは、次の場合をいう。
(1) 災害又は事故等融資あっせん等申請者又は連帯保証人の責めに帰さない事由により、同項の要件を満たさなくなったとき。
(2) 申請者の縁戚関係等の事情から町内に住所を有する連帯保証人を1名以上有することができないことにより、規則第3条第1項第2号の要件を満たさなくなったとき。
(3) 下水道法(昭和33年法律第79号)第11条の3第3項で定める水洗便所への改造に必要な資金の調達が困難な事情がある場合に当該申請者が該当することにより、規則第3条第1項第3号の要件を満たさなくなったとき。
一部改正〔平成12年告示68号〕
(町外在住者による申請の取扱い)
第4 町外に住所を有する個人等が申請をして融資を受けようとする場合、又は町外に住所を有する者が連帯保証人となる場合は、当該申請者、又は連帯保証人となる者の住所地における市町村税、下水道事業受益者負担金又は受益者分担金及び上下水道使用料又は排水処理施設使用料を滞納していないことを証明する書類を添付するものとするほか、規則及びこの要領によるものとする。
全部改正〔平成12年告示68号〕、一部改正〔平成16年告示6号〕
(町外在住者の申請書等記載方法)
第5 町外に住所を有する個人等が第4の申請をする場合の排水設備等工事資金融資あっせん等の申請書及び融資機関あての借用証書の記載方法は、次によるものとする。
(1) 申請者欄(借用証書にあっては債務者欄)には、町外に住所を有する個人等の住所、氏名等を記載すること。
(2) 申請者及び連帯保証人の連絡先として、勤務先等の住所及び名称のほか電話番号を記載すること。
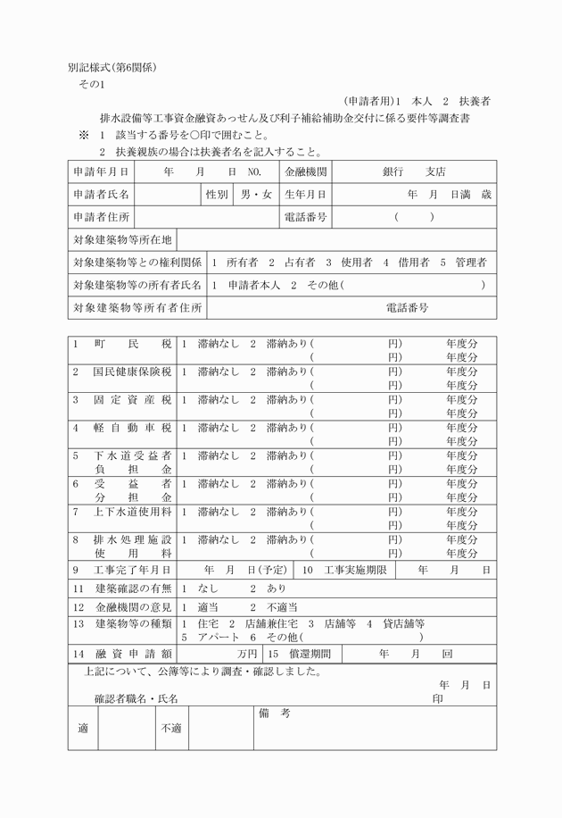
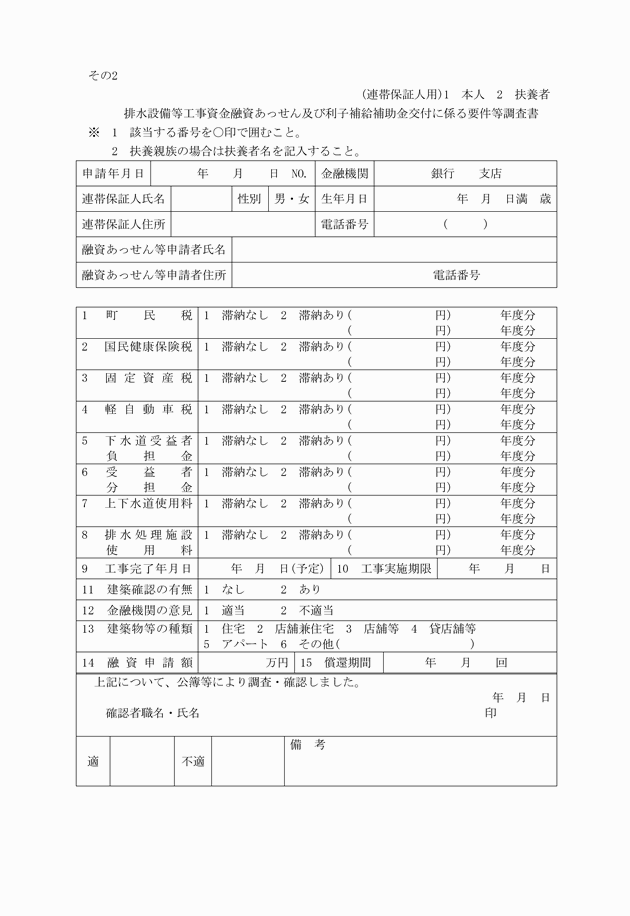
(融資あっせん及び利子補給申請者等の要件等調査)
第6 融資あっせん等の申請者及び連帯保証人に係る要件等の調査については、排水設備等工事資金融資あっせん及び利子補給補助金交付に係る要件等調査書(別記様式)によるものとする。
(繰上げ償還)
第7 規則第4条第4号に定める繰上げ償還は、融資を受けた資金の残額を一括償還する場合をいう。
(その他町長が必要と認める書類)
第8 規則第5条第1項第4号に定めるその他町長が必要と認める書類には、融資機関が指定する書類を含むものとする。
附則
この要領は、公布の日から適用する。
附則(平成12年3月31日告示第68号)
この要領は、平成12年4月1日から適用する。
附則(平成16年3月10日告示第6号)
この要領は、平成16年4月1日から適用する。
附則(平成20年3月25日告示第22号)
この要領は、平成20年4月1日から施行する。
全部改正〔平成16年告示6号〕

