○大槌町地域環境保全活動報償金交付要綱
令和5年3月8日
告示第27号
(趣旨)
第1条 この要綱は、地域住民で構成される団体が主体的に行う地域環境保全活動に対し交付する報償金について定め、もって地域の生活環境の向上及び維持に寄与することを目的とする。
(対象者)
第2条 報償金の交付対象となる者は、次に掲げる要件のいずれにも該当する団体とする。
(1) 5人以上の会員を有する団体であること
(2) 団体による意思決定により地域環境保全活動を執行できること
(3) 団体の本拠地を町内に有し、町内で活動する団体であること
(4) 代表者が明らかであること
(交付対象)
第3条 報償金の交付対象となる地域環境保全活動は、次の各号に掲げるとおりとする。
(1) 環境美化活動
ア 草刈
イ 側溝清掃
(2) 花壇活動(花卉類の植込みに併せ、花壇内の除草や灌水等日常的な維持管理を行う場合に限る。)
(対象区域)
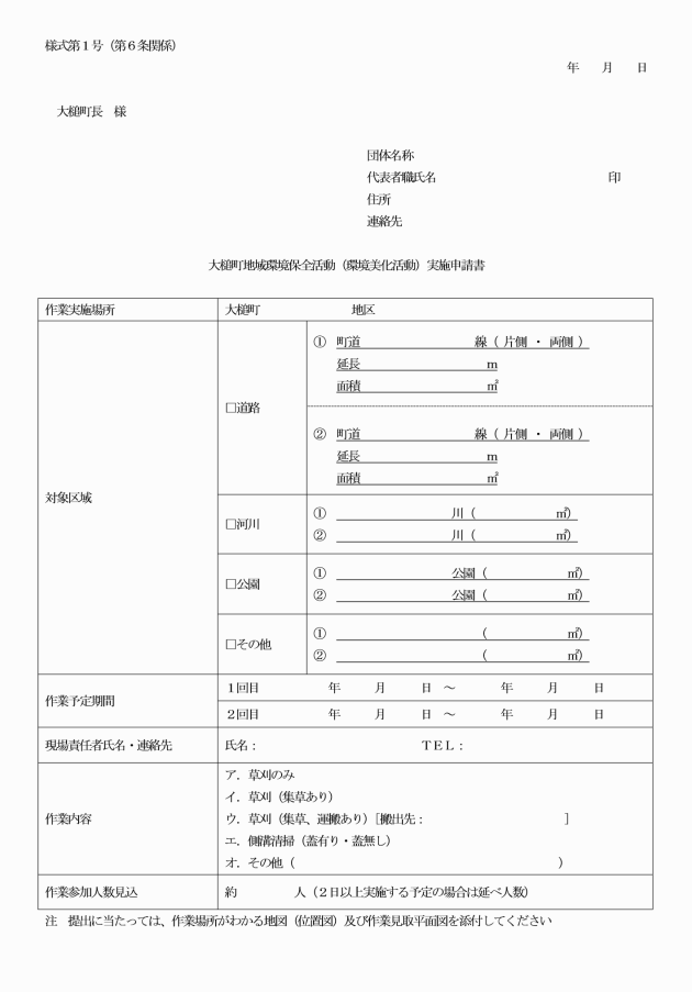
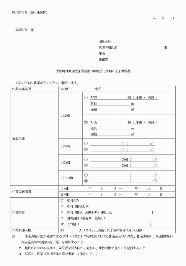
第4条 地域環境保全活動の対象区域は、次に掲げるとおりとする。
(1) 道路
ア 町道
イ 里道であって、現に一般交通の用に供されているもの
ウ 農道及び林道であって、現に地域住民の日常生活の用に供されているもの(専ら農業及び林業の用に供されているものを除く。)
(2) 河川
エ 町内の準用河川及び普通河川
(3) 公園
オ 大槌町が設置する都市公園
カ 町が管理する緑地
キ 町が管理するポケットパーク
ク 町が管理する緑道
(4) その他
ケ 町長が特に必要と認める箇所(但し、民有地は除く。)
2 前項各号に掲げる対象地域における地域環境保全活動の内容、実施区間及び実施面積については、協議のうえ決定するものとする。
(報償金)
第5条 報償金は、対象区域及び地域環境保全活動の内容に応じて交付するものとし、別表第1に掲げるとおりとする。
2 報償金は、1団体当たり年額100,000円を上限とし、環境美化活動及び花壇活動の上限額をそれぞれ50,000円とする。
3 報償金の交付は、申請があった年度において、1団体につき1回を限度とする。
(申請)
第6条 報償金の交付を受けようとする団体は、次の各号に掲げる書類を町長に提出しなければならない。
(1) 環境美化活動
ア 大槌町地域環境保全活動(環境美化活動)実施申請書(様式第1号)
イ 債権者登録必要事項入力表(様式第3号)
(2) 花壇活動
ウ 大槌町地域環境保全活動(花壇活動)実施申請書(様式第2号)
エ 債権者登録必要事項入力表(様式第3号)
(報償金の請求)
第8条 交付の決定を受けた団体は、報償金の交付を請求しようとするときは、事業完了後30日以内又は当該年度の属する3月31日のいずれか早い日までに、次の各号に掲げる書類を町長に提出しなければならない。
(1) 環境美化活動
ア 大槌町地域環境保全活動(環境美化活動)完了報告書(様式第5号)
イ 参加者名簿(様式第7号)
ウ 大槌町地域環境保全活動報償金請求書(様式第8号)
(2) 花壇活動
エ 大槌町地域環境保全活動(花壇活動)完了報告書(様式第6号)
オ 参加者名簿(様式第7号)
カ 大槌町地域環境保全活動報償金請求書(様式第8号)
(報償金の交付)
第9条 町長は、前条に規定する報告書等を受理したときは、その内容を審査し、適当と認めたときは、報償金を交付するものとする。
(その他)
第10条 この要綱に定めるもののほか、報償金の交付について必要な事項は、町長が別に定める。
附則
この要綱は、令和5年4月1日から施行する。
別表第1(第5条関係)
1 環境美化活動
対象区域 | 作業内容 | 単位 | 報償金額 |
道路 | 草刈(集草無し) | 1m2当たり | 66円 |
草刈(集草有り) | 1m2当たり | 89円 | |
草刈(集草、運搬有り) | 1m2当たり | 116円 | |
側溝清掃(蓋無し) | 1m当たり | 257円 | |
側溝清掃(蓋有り) | 1m当たり | 992円 | |
河川 | 草刈(集草無し) | 1m2当たり | 36円 |
草刈(集草有り) | 1m2当たり | 55円 | |
草刈(集草、運搬有り) | 1m2当たり | 60円 | |
公園 | 草刈(集草無し) | 1m2当たり | 38円 |
草刈(集草有り) | 1m2当たり | 57円 | |
草刈(集草、運搬有り) | 1m2当たり | 68円 | |
側溝清掃 | 1m当たり | 453円 | |
その他 | 当該土地の地目及び用途に応じ、道路、河川、公園の報償金額を準用して算定する。 | ||
備考
1 環境美化活動1回当たりの報償金の額が10,000円に満たない場合は、交付対象としない。
2 環境美化活動は、1回当たり25,000円を上限とする。
2 花壇活動
対象区域 | 作業内容 | 単位 | 報償金額 |
全区域 | 花卉類植込み活動 | 1回(1m2当たり) | 1,102円 |
維持管理活動(灌水) | 1回(1m2当たり) | 138円 | |
維持管理活動(除草) | 1回(1m2当たり) | 167円 | |
花卉類購入費用 | 一式 | 実費相当額 | |
肥料及び薬等購入費用 | 一式 | 実費相当額 | |
プランター類購入費用 | 一式 | 実費相当額 |
備考
1 花壇活動に要するスコップ類や軍手類の消耗資材は交付対象としない。
2 購入品の実費相当額を交付する場合にあっては、当該費用の税抜金額を交付対象とする。
3 既に設置されている花壇、プランター、植樹桝等に植込みをせず、新たにプランター等を購入し設置する場合は、事前に担当課と協議調整を行うこと。
4 新たに設置したプランター等は、許可なく移動、廃棄等の現状変更を行わないこと。やむを得ず現状を変更する必要が生じた場合は、事前に担当課と協議調整を行うこと。
5 花卉類の選定に当たっては、可能な限り開花期間の長い種類のものを選定すること。







